Вентилятор ВД-2,8-7,5/3000 в Пскове

Вентиляторы дутьевого типа ВД-2,8-7,5/3000 предназначены для использования в котельной. Устройства имеют корпус специальной спиральной формы, который позволяет получить высокую производительность во время работы. Благодаря данным вентиляторам можно обустроить эффективную и регулируемую подачу воздуха в топки разных котлов.

Цена:
Цена не указана
Количество:
Отправляя свои личные данные через формы на сайте, Вы даёте своё согласие на обработку персональных данных согласно Федеральному закону №152-ФЗ «О персональных данных» от 27.07.2006 г. в редакции от 01.07.2017.

Устройство и принцип работы

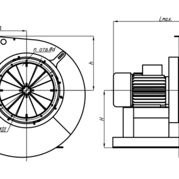
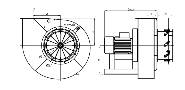
Вентиляторы ВД-2,8-7,5/3000 состоят из металлического сварного корпуса и электрического двигателя с насаженным колесом. Также в основе конструкции присутствует всасывающий патрубок и рама в виде опоры. Вся система устанавливается на П-образную основу. Рамная конструкция притягивается к основанию фундамента при помощи болтовых соединений. Сам корпус собран из двух частей и обечайки. Передняя сторона имеет встроенный патрубок для забора воздуха.

Принцип действия устройств ВД серии заключается в разгоне рабочего колеса при помощи электродвигателя. Благодаря внутренним лопастям и улитке происходит всасывание воздуха и дальнейшая его направленная передача. Некоторые модификации могут дополнительно оборудоваться всасывающим карманом, который позволяет изменять направление потока на 90 градусов.

Особенности и преимущества

Среди наиболее главных особенностей можно выделить производительность и надежность вентиляторов ВД-2,8-7,5/3000. Оборудование способно работать в самых неблагоприятных условиях. Следует выделить несколько основных преимуществ:

  • прочный металлический корпус;
  • встроенный заборный патрубок;
  • возможность регулировки;
  • лопастная конструкция;
  • совместимость с разными котлами.

К дополнительным преимуществам данных вентиляторов ВД-2,8-7,5/3000 можно отнести устойчивость к пыли. Устройство имеет защищенные узлы, которые безостановочно работают в помещениях с загрязненным воздухом.

Эксплуатация и техническое обслуживание

Установки серии ВД монтируют в котельных разного уровня с разным котельным оборудованием. Универсальность вентиляторов ВД-2,8-7,5/3000 позволяет совмещать их с нагревательными системами любой производительности. Устройства обеспечивают стабильную подачу воздуха в котел, что повышает его эффективность.

В плане технического обслуживания ВД нуждаются в периодической чистке и смазке движущихся элементов. Простая конструкция позволяет производить все работы в кратчайшие сроки. Многие составные детали легко демонтируются при помощи простого ручного инструмента. За счет высокой стойкости вентиляторов ВД-2,8-7,5/3000 к разным загрязнениям обслуживание проводится достаточно редко.

Купить вентиляторы ВД-2,8-7,5/3000

Приобрести фирменные вентиляторы ВД-2,8-7,5/3000 промышленной серии можно у нас на сайте. Заказывать модель ВД рекомендуется через форму заявки на сайте или по контактному номеру. Вся техническая информация и описание доступны на страницах продукции.

Характеристики
Серия: ВД
Диаметр рабочего колеса: 2,8 дм
Число лопаток: 32 шт
Электродвигатель: АИР112М2
Мощность: 7.5 кВт
Частота вращения: 3000 об/мин
Производительность: 2600 м³/ч
Полное давление: 2 255 Па
Масса без двигателя: 39 кг
Масса с двигателем: 71 кг
Схемы

Города поставок

Москва
Пн-Пт 09:00 - 18:00
Сб 09:00 - 17:00
Карачаево-Черкесская Республика
Пн-Пт 09:00 - 18:00
Сб 09:00 - 17:00
Екатеринбург
Пн-Пт 09:00 - 18:00
Сб 09:00 - 17:00

Совершите покупку за 4 шага

Шаг 1
Выберите товары из каталога
Шаг 2
Поместите нужные вам товары в корзины
Шаг 3
Укажите свои контактные данные в форме обратной связи
Шаг 5
Ожидайте звонка от менеджера для оформления покупки

Похожие товары

Вентиляторы ВД
Вентиляторы ВД
Цена от 0 руб.
Вентиляторы ВДН
Вентиляторы ВДН
Цена от 0 руб.
Вентиляторы промышленные
Вентиляторы ВЦ-14-46-8-30,0/750 относятся к разновидности промышленных устройств, которые предназначены для установки в системах вентиляции и кондиционирования. Оборудование комплектуется мощным электрическим двигателем и металлическим корпусом. ВЦ способен обеспечить среднее давление внутри вентиляционной системы.
Вы смотрели эти товары
Вентиляторы промышленные
Вентиляторы дутьевого типа ВД-2,8-7,5/3000 предназначены для использования в котельной. Устройства имеют корпус специальной спиральной формы, который позволяет получить высокую производительность во время работы. Благодаря данным вентиляторам можно обустроить эффективную и регулируемую подачу воздуха в топки разных котлов.
Дробилки
Дробилка серии ВДГ-10 представляет собой промышленное дробильное устройство, которое предназначено для грохочения и дробления каменных углей. Оборудование способно измельчать фракции твердого топлива, а также осуществлять его подачу на транспортер. Серийные дробилки применяются на разных производствах, где имеется твердотопливный котел.
Промышленные насосы
Консольный насос типа К 50-32-125А успешно применяется для перекачивания чистой воды, и жидкостей, которые по своей плотности — аналогичны значению воды. Насосы такого класса достаточно популярны и пользуются большим спросом, поэтому они выпускаются различными производителями. Устройства используются в промышленных и бытовых масштабах, в гидравлических системах, благодаря своему удобству и простоте эксплуатации.